Our Products

Butterfly Valve

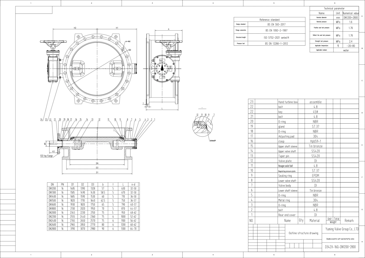
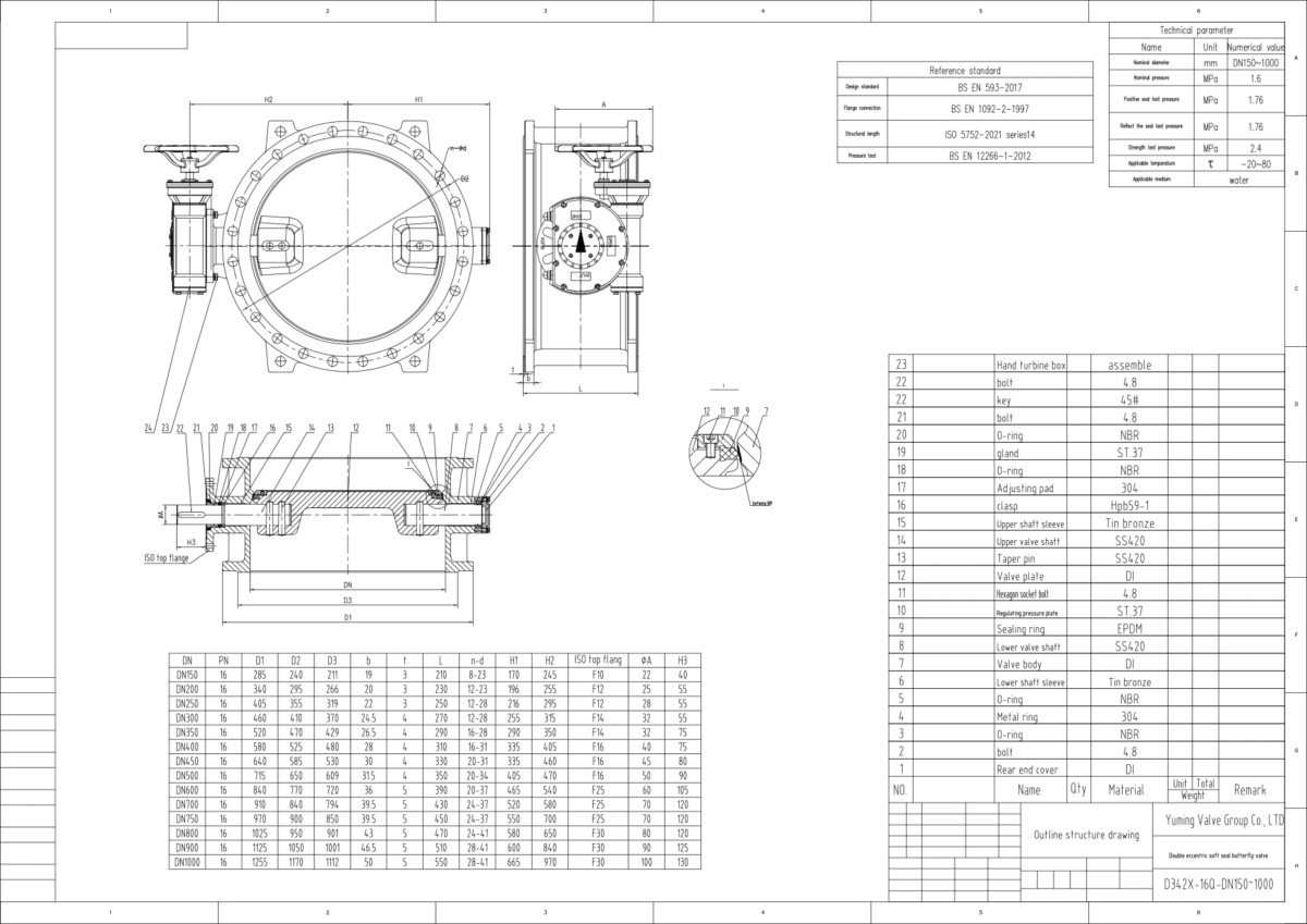
Double eccentric rubber-sealed butterfly valve is a shut-off, bidirectional valve with a double eccentric disc.

It offers excellent fluid control characteristics and sealing performance when closed. It is widely used in industries such as food, pharmaceuticals, chemicals, petroleum, power, textiles, and papermaking.

Working Principle

Its eccentric principle is that the valve stem axis is offset from both the valve body center (a) and the valve seat (b).

The dual eccentric effect allows the butterfly disc to quickly disengage from the valve seat after the valve is opened, significantly eliminating unnecessary excessive compression and scraping between the disc and the valve seat, reducing the valve opening torque, minimizing valve seat wear, and extending the service life of the valve seat.

Parameter

Size Range :
DN50-4000
Pressure Ratings :
PN6, PN10, PN16, PN25, PN40, Class 150, Class 300
Shell Test (Mpa) :
0.9, 1.5, 2.4, 3.75, 6.0, 3.0, 7.5
Seat Test (Mpa) :
0.66, 1.1, 1.76, 2.75, 4.4, 2.2, 5.5
Seat Materials :
Rubber (NBR, EPDM), PTFE
Body Materials :
Carbon Steel, Stainless Steel, Austenitic Stainless Steel, Martensitic Stainless Steel, Duplex Steel, Super Duplex Steel, Ductile Iron
Coating :
Fusion Bonded Epoxy / Marine Coating (depending on use case)
Temperature Range :
−29 °C to 80 °C
Connection Types :
Flanged, Welded, or Wafer
Actuation Options :
Worm Gear Actuation, Pneumatic Actuation, Hydraulic Actuation, or Electric Actuation

Dimension

Specifications

Gallery